当前位置:
首页
>
政府信息公开
>
县直部门
>
县卫生健康局
>
财政信息
索 引 号:19/2023-2105874
发布机构:县卫生健康局
生成日期:2023-01-13 16:56:32.0
公开日期:2023-01-13
公开方式:政府网站
公开范围:全部公开
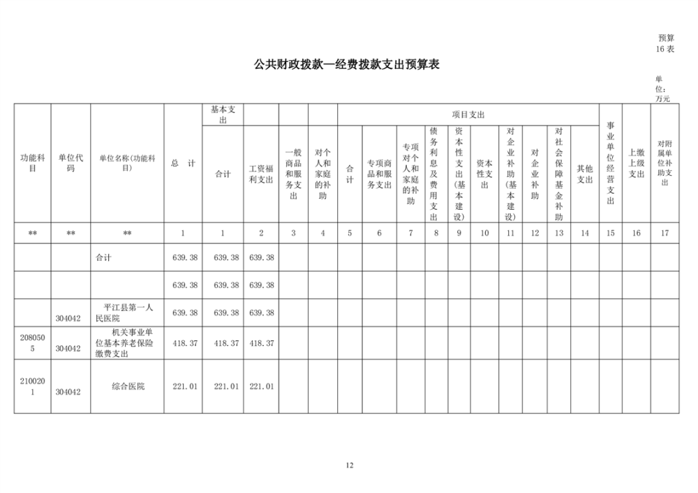
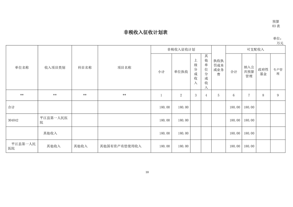
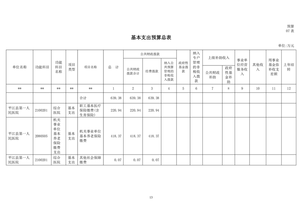
平江县第一人民医院2023年预算公开
来源:县卫生健康局
2023-01-13 16:56
|
|
|
|
map