• 索 引 号:60/2020-1814951
  • 发布机构:县林业局
  • 生成日期:2020-01-21 15:13:39.0
  • 公开日期:2020-01-21
  • 公开方式:政府网站
  • 公开范围:全部公开

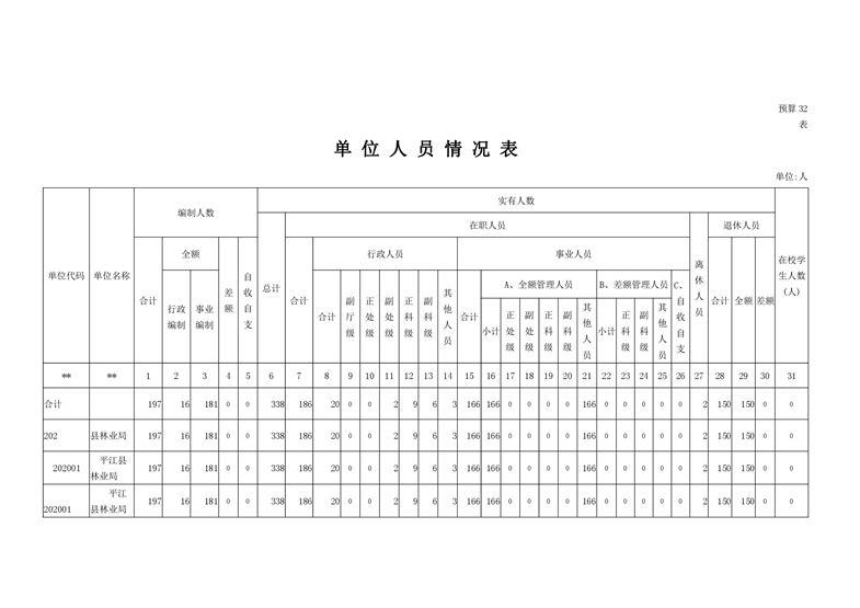
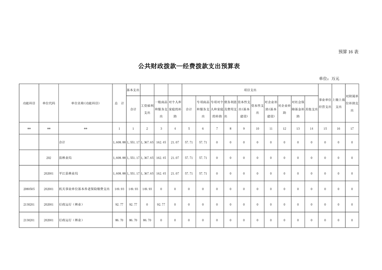
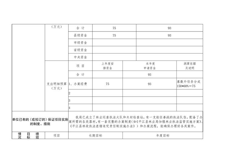
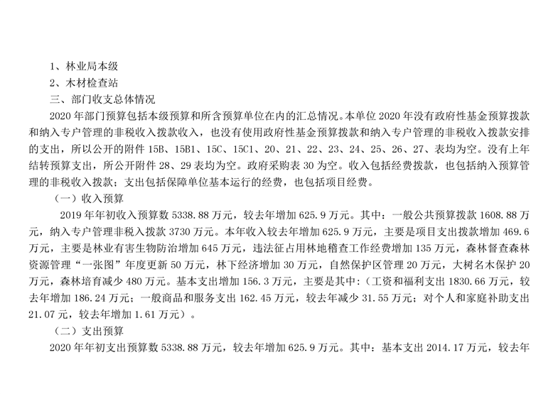
平江县林业局2020年部门预算编报说明

来源:县林业局 2020-01-21 15:13
| | | |


















































































































Baidu
map